728x90
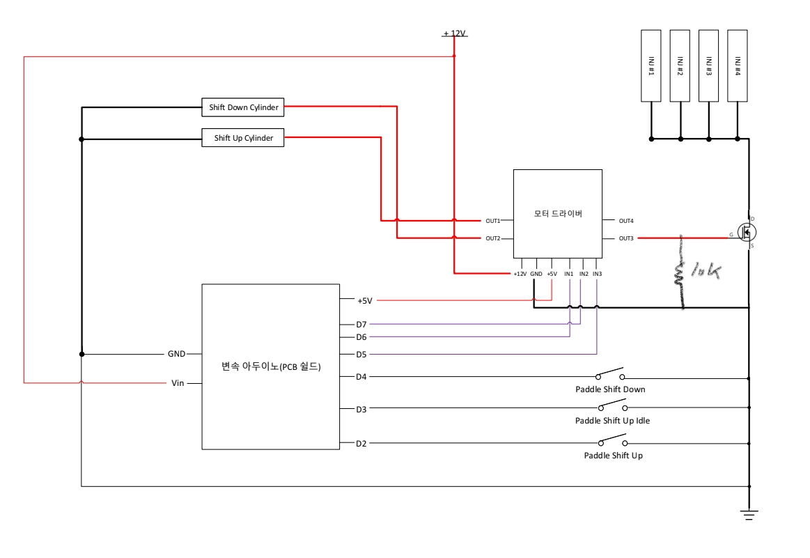
변경사항


인젝터 - 모스펫 연결 수정
인젝터 킬 스위치 추가
게이트에 10K 풀 다운 저항 추가
- 시뮬레이션 상으로는 문제가 없었는데, 실제 회로를 구성하여 LED로 테스트해보니, 게이트의 전압을 제거해도 LED가 꺼지지 않는 문제가 있었음
- 찾아보니 플로팅 현상이 문제 인 것 같아 풀 다운 저항을 추가하여 해결
납땜


시험 끝나고 실제로 변속기를 테스트 해보기 위해 납땜도 마무리해줬다.
정상 작동 확인 되면 추후에 납땜도 깔끔하게 다시 해줘야 할 듯하다.
728x90
'.study > .FSK_25' 카테고리의 다른 글
| 자작 자동차 데이터 로거 만들기 (1) - 소개 및 아키텍처 (2) | 2025.08.30 |
|---|---|
| 마지막 변속 테스트(LED) (0) | 2025.06.26 |
| [작업일지] ESP32-EMU BLACK CAN Logger (진행 중) (0) | 2025.05.23 |
| [작업일지] 변속배선 만들기 (진행 중) (0) | 2025.03.08 |
| [작업일지] 전체 배선도 그리기 (완료) (0) | 2025.03.08 |